信息公开指南 信息公开规定 信息公开目录 机构职能 政策及政策解读 规划计划 资金信息 其他
领导信箱 业务咨询 业务投诉 在线访谈 信访工作 征集调查 业务知识库
经济形势 产业发展 重大项目 价格政策管理 重要食品价格监测月报
政策解读 重点业务服务 互联网+政务服务 其他专题专栏
智能推荐
微信
微博
移动端
个性化订阅
政务机器人
返回顶部
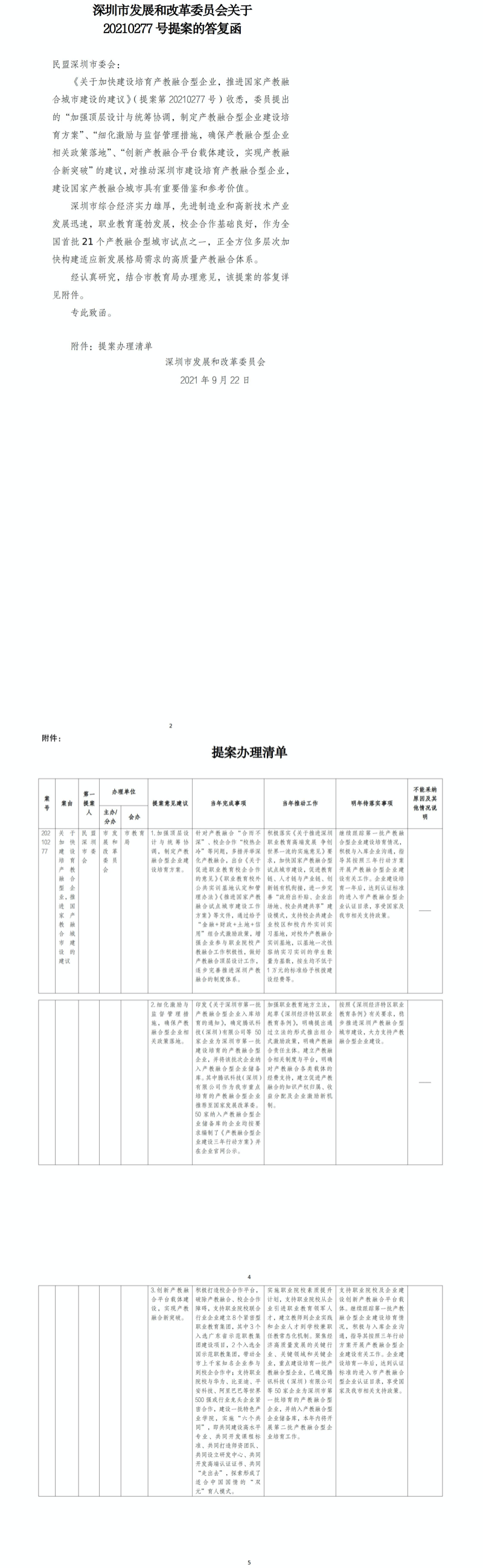
深圳市发展和改革委员会关于20210277号提案的答复函